第六讲 电现象和电流定律

本讲要求知道两种电荷及它们间的相互作用,知道电量及其单位.了解原子的组成.知道导体和绝缘体的区别,知道常见的导体和绝缘体.知道电路各组成部分的基本作用,知道电流方向的规定,知道短路及其危害.理解串联电路和并联电路,会连接简单的串联电路和并联电路,会画简单的串、并联电路***.

理解电流的概念,知道电压、电阻及其单位.理解串联电路各处电流相等,并联电路中干路电流等于各支路的电流之和.理解串联电路总电压等于各部分电路上的电压之和,并联电路中各支路上的电压相等.理解决定电阻大小的因素.会用电流表测电流,用电压表测电压.知道滑动变阻器和电阻箱的构造,会用滑动变阻器改变电流.

对于欧姆定律,要熟练掌握,另外还要学会用电压表、电流表测电阻,会画并联电路的等效电路***.

一、热点扫描

1.一般情况下,由于原子核所带正电荷数等于核外电子总共所带的负电荷数,所以整个原子显示电中性.当两个物体相互摩擦时,由于一个物体中原子核对电子的束缚作用弱,而另一个物体中原子核对电子的束缚作用强,束缚作用弱的将失去一部分电子,而使整个物体显正电性,叫做带正电;束缚作用强的将得到一部分电子,使整个物体显负电性,叫做带负电.可见,摩擦起电的实质是发生了电荷的转移,使正、负电荷分开,并不是产生了电荷.

2.两个物体相互摩擦的总效果是一个物体有了多余的电子,另一个物体失去了电子.根据电荷守恒定律,一个物体多余的电子恰恰是另一个物体失去的电子,因此摩擦起电总是使两个相互摩擦的物体带上等量异种电荷.

任何物体内部都有大量的正电荷和负电荷,对外不显电性(呈中性)的物体只是物体内正电荷和负电荷的电荷量相等.

两个带同种电荷的物体相排斥,两个带异种电荷的物体相互吸引.

3.识别用电器是串联接法还是并联接法,可采用电流流向法.具体方法是:从电源的正极出发,沿着电流的方向,研究电流通过所有电器的各条路径,一直到达电源的负极.如果电流依次通过了所有用电器,则这个电路的各用电器是串联的.如果电流流经某点时出现了分叉,表明这个电路上有干路,又有支路,电流经过支路上的用电器后,又在另外某一点汇合,然后回到电源的负极.若干路上没有用电器,各个支路上只有一个用电器,电路中各用电器是并联接法.若干路上有用电器,同时又有几个支路;或有几个支路,而支路上不只是有一个用电器,则此电路属混联电路.

4.每秒钟通过导体任一横截面的电荷量叫电流或电流强度.它是表示电流强弱的物理量,计算公式I=Q/t.

常用测量电流的仪表是电流表.测量时应注意:电流表应串联在被测电路中,使电流从“+”接线柱流入,从“-”接线柱流出;所测电流不得超过电流表的量程;禁止不经过用电器将它的两个接线柱直接连到电源的两极上.

5.电压是形成电流的原因,常用测量电压的仪表是电压表.测量时应注意:电压表应与待测电路并联,使电流从它的“+”接线柱流入,从“-”接线柱流出;所测电压不得超过电压表的量程.

6.导体对电流的阻碍作用叫电阻.电阻是导体本身的一种性质.它的大小跟导体的材料、长度、横截面积和温度有关.对一段材料确定的均匀导体,在温度不变时,导体的电阻跟它的长度成正比,跟它的横截面积成反比,这个规律称为电阻定律.

7.滑动变阻器或电阻箱都是可以改变电阻大小的电阻器,如***6-1所示.滑动变阻器能够连续地改变连入电路的电阻,但不能准确表示出连入电路中的电阻值.

使用滑动变阻器要注意:将变阻器的不同接线柱接入电路,则连入电路中电阻的有效值是不同的,使用时要先看铭牌所标明的最大允许电流和最大电阻值.

8.欧姆定律的内容是:导体中的电流,跟这段导体两端的电压成正比,跟这段导体的电阻成反比.其数学表达式为I=■.

9.串联电路中各处的电流相等:I=I1=I2=…=In;电路两端总电压等于各部分电路两端电压之和:U=U1+U2+…+Un;总电阻等于各串联导体的电阻之和:R=R1+R2+…+Rn;在串联电路中,电压的分配跟电阻成正比:■=■,■=■.

并联电路中的电流等于各并联支路中的电流之和:I=I1+I2+…+In;各支路两端的电压相等:U=U1=U2=…=Un;总电阻的倒数等于各并联导体的电阻的倒数之和:■=■+■+…+■;在并联电路中,电流的分配跟电阻成反比:■=■,■=■.

10.用伏安法测电阻时,应将电流表串联在电路中,电压表与被测电阻并联.***6-2(a)***称为电流表的外接法,(b)***称为电流表的内接法.

在(a)***中,U测=U真,而电流表读数是被测电阻与电压表并联部分的总电流,I测>I真,可见,电流值测量误差是本方案产生系统误差的原因.对比式子R测=U测/I测和R真=U真/I真,不难发现R测

当R真

在(b)***中,I测=I真,而电压表测得的是被测电阻与电流表串联部分的总电压,U测

>U真,可见电压值测量误差是本方案产生系统误差的原因,对比R测=U测/I测,R真=U真/I真,不难发现R测>R真.进一步分析发现:由于U测是串联部分总电压,所以R测实际上是R真与RV

串联的总电阻,即R测=R串=R真+RA=R真(1+■),当R真>>RA时,R测非常接近于R真,即当被测电阻是大电阻时,采用内接法,测量误差较小.

对比两种方案,外接法R测=R真/(1+■)和内接法R测=R真(1+■),又可发现,当R真

/RV

二、典例讲析

(一)电路的动态变化类考题

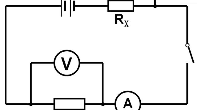
例1如***6-1所示的电路中,电源电压保持不变,闭合开关S,当滑动变阻器的滑片P由a向b移动的过程中().

A.电流表的?的示数减小,电压表V的示数增大

B.电流表?的示数增大,电压表V的示数减小

C.电流表?和电压表V的示数都减小

D.电流表?和电压表V的示数都增大

讲析这是一道电路的动态变化问题,主要考查同学们运用欧姆定律和串并联电路特点进行分析、推理判断的能力.

由***6-1可知,当滑动变阻器的滑片由a向b移动时,其电阻值Rab增大,据欧姆定律可知,电路的总电流减小(即电流表?的示数减小),因而电阻R两端的电压也减小.由电阻的串联特点可知,电阻Rab两端的电压为URab=U-UR,因UR减小,所以URab增大,电压表的读数增大.故A选项正确.

例2如***6-2所示电路中,电源电压U=4.5V,且保持不变,电阻R1=5Ω,变阻器R2最大阻值为20Ω,电流表量程为0~0.6A,电压表量程为0~3V.为保护电表,变阻器接入电路的阻值范围是().

A.2.5~10Ω B.0~20Ω

C.5~20ΩD.0~10Ω

讲析为保证电表安全,电路中的电流不能超过0.6A,电压表的示数不能超过3V.由此,我们可以得到两个不等式.

为保证电流表安全

I=■=■≤0.6A,

解得:R2≥2.5Ω①

为保证电压表安全

UV=IR2=■R2=■R2≤3V,

解得R2≤10Ω②

比较上述各式解得2.5Ω≤R2≤10Ω,本题应选A.

可见,为保证电表安全,电路中的电流不能超过0.6A,电压表的示数不能超过3V.

例3如***6-3所示的电路中,R1=20Ω,R2=25Ω,当开关S1闭合、S2断开时,电压表的示数为2.8V,若将开关S1断开、S2闭合时,电压表的示数可能是().

A.2.5VB.3.3VC.3.5VD.4.0V

讲析首先,我们应搞清楚的是,电路中开关的闭合与断开而造成电路中电阻连接情况的变化,以及电压表测量对象发生的变化.

在充分审题的基础上,我们知道第一次开关S1闭合、S2断开时,电路状态为R1与R3串联,电压表测的是R1两端的电压,电路中的电流I=■=■=0.14A;第二次,S1断开、S2闭合时,电路状态为R2与R3串联,电压表测的是R2两端的电压.

当电路由状态一变为状态二,总电阻〔由(R1+R3)变为(R2+R3)〕变大,那么电路中的电流变小,R3两端的电压变小,所以电压表的示数变大,即比2.8V大,B、C、D只能选其一,选谁呢?

假设电路由状态一变为状态二,电路中的电流不变,此时不难算出电压表示数增加ΔV=0.14A×(25Ω-20Ω)=0.7V,即电压表示数为2.8V+0.7V=3.5V.实际上电路中的电流在变小,此时电压表的示数应小于3.5V,应选B.

例4如***6-4所示,某同学做“用滑动变阻器控制灯的亮度”的实验.他用小灯泡、开关、滑动变阻器和电源组成串联电路,将电压表并联在滑动变阻器的两端.闭合开关后,发现小灯泡不亮,且电压表的示数等于电源电压.电路中出现的故障可能是().

A.电池没电了

B.开关处有断路

C.灯座处有短路

D.变阻器处有断路

讲析判断电路中出现的故障问题,是一类难度较大的问题.这类问题主要考查同学们分析、判断和综合运用知识的能力.

当闭合开关后,电压表的示数等于电源电压,这说明电池正常、开关处完好,因此可排除A、B选项.若灯座处短路(即灯泡两极短路),则小灯泡不亮;若变阻器处有断路现象,电路不通,小灯泡也不亮.故C、D两选项均符合题设要求.本题应选CD.

例5如***6-5所示的电路中,当开关S闭合后,电灯L不亮,电流表无示数.经检验,连接导线无断开现象.用电压表检测时,发现a、b及b、c间的电压均为零,而a、d及c、d间均有电压.请找出电路发生的故障.

讲析根据开关闭合后,电灯不亮,电流表无读数,说明电路中发生的是断路故障.连接导线无故障,而电压表测试a、d间有电压,则说明从a点经电源到d点这一段电路无故障.正常情况下,开关闭合时c、d间电压应为零.但题目中c、d间有电压,说明从c点经开关到d点间这一段电路肯定存在断路故障,原因一定是开关触片或开关接线柱接触不良.所以答案是,开关触片或开关接线柱接触不良.

上述故障能造成电灯不亮,电流表无读数,许多同学能够理解.但对c、d间有电压难以理解.我们想像在c、d间接上电压表,断开开关S,由于电流表、电灯的灯丝都是导体,所以电压表的负接线柱从c经电灯、电流表到电源负极是连通的.另一方面电压表的正接线柱从d点到电源正极也是连通的.所以c、d间有电压.而电压表所测得的c、d间的电压实际上就是电源的电压.

例6现在要测定标有“3.6V0.32A”灯泡正常发光时的灯丝电阻,给你的器材如下:开关一只,导线若干,4.5V和6V的电源各一套(电源电压恒定),量程为0.6A、3A的电流表和3V、15V的电压表各一只,“5Ω2A”和“10Ω1A”的滑动变阻器各一只.测量时电表示数必须超过所用量程的一半.

(1)应选择电压为V的电源;

(2)电流表量程应选择A;

(3)电压表量程应选择V;

(4)滑动变阻器的规格应选择;

(5)画出符合本实验要求的电路***.

讲析题中要求“测量时电表示数必须超过所用量程的一半”,为达到这一要求,必须选择电压为6V的电源.(请同学们想一想,这是为什么?)由于小灯泡正常发光时的电流为0.32A,要满足题中的要求,电流表必须选择量程为“0.6A”的,电压表必须选择量程为“3V”的.据欧姆定律可估算出小灯泡的灯丝电阻,

R灯=■=■=11.25Ω.将滑动变阻器串联在电路中起分压作用,其阻值设为Rx,据欧姆定律有I=■=0.32A,将U总=6V、R灯=11.25Ω代入上式解得Rx=7.5Ω.所以滑动变阻器应选“10Ω1A”的.

由于所选电压表的量程小于小灯泡正常发光时的额定电压,因此应将电压表并接在滑动变阻器的两端,这样小灯泡两端的电压等于6V减去电压表的示数.实验电路***如***6-6所示.

例7“曹冲称象”的故事流传至今,最为人称道的是曹冲采用的方法,他把船上的大象换成石头,而其他条件保持不变,使两次的效果(船体浸入水中的深度)相同,于是得出大象的重就等于石头的重,人们把这种方法叫“等效替代法”,请尝试利用“等效替代法”解决下面的问题.

【探究目的】粗略测量待测电阻Rx的值.

【探究器材】待测电阻Rx、一个标准电阻箱(元件符号)、若干开关,一个电池、若干导线、一个刻度不准确但灵敏度良好的电流表(电流表是量程足够大).

【设计实验和进行实验】

(1)在下边的虚线方框内画出你设计的实验电路***;

(2)将下面的实验步骤补充完整.并用字母表示需要测出的物理量:

第一步:开关断开,并按设计的电路***连接电路;

(3)写出Rx的表达式:.(用测量量表示)

讲析此题属于“一只电表测电阻”的类型,这种类型的题目,由于器材相对不够,不能用“伏安法”来测电阻,因此要运用“等效替代”的思想来设计测电阻的方法.哪个量相等?这是我们所要关心的.题目中已经给出的仪表是电流表,我们可以知道电流的大小.虽然不能准确读出电流值,但能比较电流的大小.因此,电流这个物理量,我们可当作已知量.根据欧姆定律变形公式R=U/I可知,需要将未知电阻的两端电压求出来.没有电压表当然不能直接读出未知电阻两端的电压,这时就要找等量,这个电压与谁的电压相等呢?并联电路各支路两端电压相等.我们可以连接成并联电路,让未知电阻两端电压与连入电路中的电阻箱的两端电压相等.记下通过未知电阻中的电流的示数(其实指电流表指针偏转的角度),再将电流表接入电阻箱的支路中,使两次电流表指针偏转的角度相同,这样就能测出未知电阻的阻值.

(1)如***6-7;

(2)第二步:将Rx和电流表串联,组成一个闭合电路,记录下此时的电流表示数I;

第三步:用变阻箱代替待测电阻Rx的位置,并不断调节变阻箱,使电流表的示数也为I,此时的变阻箱示数R就为待测电阻Rx的阻值.即R=Rx .

(3)Rx=■=R.

三、创新题选

1.“水果电池”探究题两例:

在近几年各地中考试卷中,出现了考查学生探究能力的试题.这类试题的出现,无疑给初中物理教学带来了新的活力,有利于促进初中物理教学的改革,对改进学生的学习方式,培养学生的创新意识和实践能力起到了很好的导向作用.下面采撷两例有关“水果电池”的探究题供赏析.

(1)物理课后,小南和小雄将一块铜片和一块锌片插入西红柿,做成了一个“西红柿电池”.小南和小雄想探究“西红柿电池的电压大小与哪些因素有关”,小雄说:“可能与两金属片之间的距离有关”,小南想了想说:“也可能与两金属片插入西红柿的深度有关”.为了验证猜想是否正确,他们找来了电压表,连成了如***6-8所示的电路.

①请你选择其中一个猜想,并提出验证的方法:

②目前人们乱扔废旧电池的现象非常普遍,请你针对这种现象,给有关部门提出一合理建议:

(2)电学课中,老师曾讲过“水果电池”,激发了某同学对苹果导电性能的探究:

①你认为苹果的导电性能可能与苹果的哪些因素有关?

你的猜想是:.

②下表是该同学用伏安法,在一定电压下研究苹果的形状、甜度和通过的电流的实验数据:

根据上述表格信息,把能得出的探究结论写出两条填在横线上:

结论一:;

结论二:.

2.电学课上,老师展示了一块由电源、两只相同的小灯泡和一个开关组成的电路示教板,从面板上只能看到两只灯泡、接线柱和开关,看不到电路的具体连接情况.当老师拨动开关时,同学们发现两只小灯泡总是同时发光同时熄灭.两只灯泡是怎样连接的?老师要求同学们在不使用测量电表的情况下,设计一种判断两只灯泡连接情况的方案.

小明设计了一种方案:将一条导线并联接在一只小灯泡的两端,闭合开关,若另一只灯泡会发光,则两只小灯泡是串联的,否则是并联的.小明的方案是不对的.

他的方案中存在的问题是:.

你的方案是:.

3.如***6-9所示,仪器中常用两个阻值不同的可变电阻来调节电路中的电流,一个作粗调(明显改变电流的大小),一个作细调(稍微改变电流的大小).已知R1>R2,则***(a)中用作粗调的是,***(b)中用作粗调的是.(选填“R1”或“R2”)

4.阅读下面材料,解答问题:

你肯定见过,风扇通电后的转速是由慢逐渐变快的.那么你猜在这个过程中,通过风扇内电动机的电流会不会变化呢?如果转动中的风扇因为受到阻碍而停止,通过风扇内电动机的电流又会如何变化?会带来什么后果呢?让我们做一个简单的实验吧.

如***6-10,把一个玩具电动机、一个小灯泡和电池串联起来.接通电路后,电动机便开始由慢到快转动起来.这时我们会发现,刚通电时,电动机转速还较慢,灯泡最亮.而随着电动机转速变快,灯泡则逐渐变暗了.并且当电动机转得最快时,灯泡也最暗.怎么样,你一定觉得很新奇有趣吧?那么现在让我们一起来动动脑筋,请你根据上述现象分析回答下列问题:

(1)在***6-10所示的电路中,如果用手指捏住玩具电动机的转轴使其转动变慢,最后完全停下来,灯泡的亮度将,通过电动机的电流将.(选填“变大”“变小”或“不变”)

(2)家用电风扇的主要部分就是电动机.如果转动中的电风扇受到外物阻碍,(如有衣服被吸到扇叶上)而无法转动,可能会导致火灾的发生,请你简要分析其中的原因.

5.我们知道,测量时总存在误差,通常将测量值与真实值之差叫做绝对误差.初中电学实验中所用电流表的准确度等级一般是2.5级的.2.5级电流表的含义是:用该电流表测量时的最大绝对误差不超过满刻度值的2.5%.下表给出了用2.5级电流表测量电流时,电流表指针的偏转角度与百分误差(即最大绝对误差与电流表读数之比的百分数)之间的关系.

(1)上表中的最后一空处相应的百分误差应是%.

(2)从上表中的数据可以看出,该电流表的指针偏转的角度越大,百分误差

(选填“越大”“越小”或“不变”).

(3)如果用准确度等级是2.5级的电流表进行测量时要求百分误差小于3.75%.则该电流表指针的偏转角度应大于满刻度的.

6.某校课外物理兴趣小组利用***6-11所示电路进行了一次物理实验探究活动.此实验中使用了如下器材:6V蓄电池组一个,学生用电流表和电压表各一个,5Ω定值电阻一个,0~10Ω滑动变阻器一个,开关一个,导线若干.

(1)探究步骤:

①先使滑片在滑动变阻器最右端,闭合开关,读出并记录此时电压表示数U1和电流表示数I1;

②调节滑片的位置,使它移动到滑动变阻器中点(假设可精确调节),读出并记录此时电压表示数U2;

③调节滑片的位置,使它移动到滑动变阻器最左端,读出并记录此时电压表示数U3和电流表示数I3.

请你根据所学知识和以上的探究步骤,写出该小组读出的电压表的三次示数.

(2)滑片在滑动变阻器最右端时的电流表示数I1和滑片在滑动变阻器最左端时电流表示数I3的比值是.

(3)该小组进行的实验是探究在串联电路中一定的情况下,关系.在实验成功的基础上,探究出的结论应该是:.

7.下面是小明同学完成实验后所写的一份实验报告,请你帮他补充完整.

【实验名称】伏安法测电阻

【实验原理】R=U/I

【实验器材】请你在虚线框内用规定的电路器件符号画出所需的器材(温馨提示:不需画出电路***)

【实验步骤】(略)

【实验数据】请设计本实验的数据记录表格

【实验拓展】

本实验装置还可以用来测量小灯泡的功率.小明同学选取额定电压为2.5V的小灯泡进行实验,上表为所测的部分实验数据,请将表中空白处补充填写完整,并说明填写的依据.

8.常用的电压表是由小量程的电流表G改装而成的.电流表G也是一个电阻,同样遵从欧姆定律.***6-12甲是一个量程为0~3mA的电流表G,当有电流通过时,电流可以从刻度盘上读出,这时G的两接线柱之间具有一定的电压.因此,电流表G实际上也可以当成一个小量程的电压表.已知该电流表的电阻为Rg=10Ω.

(1)若将这个电流表当成电压表使用,则刻度盘上最大刻度3mA处应该标多大的电压值?

(2)如***6-12乙所示,若将这电流表串联一个定值电阻R后,使通过G的电流为3mA时,A、B之间的电压等于3V,这样A、B之间(虚线框内)就相当于一个量程为0~3V的电压表(***6-12丙),求串联的定值电阻R的大小.

第六讲“创新题选”参考答案

1.(1)①方法一:探究电压与两金属片插入深度的关系.改变两金属片插入的深度,比较两次电压表示数的大小与深度的关系.

方法二:探究电压与两金属片之间的距离的关系.改变两金属片间的距离.比较两次电压表示数的大小与距离的关系.

②分类回收等.

(2)①苹果的大小、形状、酸甜程度、是否成熟、品种等;

②电压一定时,通过苹果的电流与苹果的甜度有关,越甜电流越大;电压一定时,通过苹果的电流与苹果的形状无关.

2.若电路是并联的,小明的做法会导致电源短路;拧下一只灯泡,如果另一只不能发光则为串联,否则为并联.

3.R1;R2[原因:***(a)中R1改变,总电阻变化明显;***(b)中R2改变,总电阻变化不显著].

4.(1)变亮;变大.

(2)主要的原因是:(要点)风扇停转后,电动机线圈的电阻不变,但电流增大;根据焦耳定律Q=I2Rt,相同时间内发热大幅增加,容易引发火灾.

5.(1)50%;(2)越小;(3)四分之三.

6.(1)2V3V6V; (2)1:3; (3)电阻

电压与电阻之间串联电路中,导体两端的电压与导体的电阻成正比.

7.【实验器材】

【实验数据】

【实验拓展】0

因小灯泡两端电压远大于它的额定电压,灯已烧坏,所以此时电流为零.

8.(1)根据欧姆定律可得Ug=IRg=3×10-3×10V=0.03V.

(2)A、B之间的电阻RAB=UAB/I=3/3×10-3Ω=1000Ω,又因为Rg和R串联,所以R=RAB-Rg=990Ω.

第六讲 电现象和电流定律

转载请注明出处学文网 » 第六讲 电现象和电流定律

学习

服装设计刺绣运用手法

阅读(180)

本文为您介绍服装设计刺绣运用手法,内容包括刺绣在服装设计中的运用,服装设计刺绣教程。摘要:

学习

“气球奶奶”引燃爱心之火

阅读(172)

被网友称为“气球奶奶”的83岁老人孙玉兰,来自豫东商丘市柘城县。掐指算来,她来郑州卖气球已是第三个年头了。

学习

国家基本药物制度

阅读(175)

本文为您介绍国家基本药物制度,内容包括国家基本药物制度,国家基本药物制度3个文件。【摘要】目的为我国在新医改形势下建立国家基本药物制度提供参考。方法分析了国家基本药物制度在我国的建设情况、取得的成效以及伴随出现的问题,同时

学习

男人的7种隐秘想法

阅读(195)

本文为您介绍男人的7种隐秘想法,内容包括男人的心酸故事大全,男人的心酸日记。男人有很多隐秘的想法,虽然你们一同生活了好多年,但恐怕你未必完全知道。这是由于男人特有的心理所决定的,不要焦躁不安,也不要放任自流,一同进入男人的内心世界,

学习

爱爱上单眼皮男生夏雨

阅读(169)

本文为您介绍爱爱上单眼皮男生夏雨,内容包括夏雨是单眼皮吗,夏雨单眼皮男生。之后的一部《爱上单眼皮男生》,更加颠覆了许多女生的择偶标准,单眼皮男生们应该从心底里感激夏雨,是他,让单眼皮成为时尚,为他们扬眉吐气。

学习

安能辨我是雌雄

阅读(151)

本文为您介绍安能辨我是雌雄,内容包括安能辨雌雄原文,安能辨我是雄雌原文。女扮男装

学习

都柏林圣三一学院

阅读(147)

本文为您介绍都柏林圣三一学院,内容包括都柏林圣三一学院介绍,都柏林圣三一学院难申请吗。爱尔兰素有“翡翠之国”的美称,这里不仅风光秀丽,其卓越的高等教育水平也为世界公认。早在15世纪,爱尔兰首都都柏林就有“大学城”之称。而坐落在都

学习

工程项目管理

阅读(173)

本文为您介绍工程项目管理,内容包括工程项目管理手册最新版,建设工程项目管理。摘要:在工程项目规模、含金量基本相同的情况下,为什么有的原本微利的项目的效益却获得较高,有的本应盈利的反而亏损,看来关键取决于项目管理,取决于项目经理和项

学习

食物中的十大“鸳鸯配”

阅读(143)

饮食中“食物相克”的说法,意思是说两食物放在一起食用,如搭配不当,极容易导致生病或中毒。从现代营养科学观点看,两种或两种以上的食物,如果搭配合理,不仅不会“相克”,而且还会“相生”,起到营养互补、相辅相成的作用。俗语叫“鸳鸯配”。

学习

婚前教育在美国

阅读(177)

本文为您介绍婚前教育在美国,内容包括婚前教育免费在线观看,婚前教育在美国。德国社会学家缪勒利尔在《婚姻进化史》一书中将人类社会变迁中的婚姻划分为三个时代:原始恋爱时代、家族时代和个体时代。在原始恋爱时代,男女虽有性的结合,却是

学习

马铃薯种植技术

阅读(185)

本文为您介绍马铃薯种植技术,内容包括马铃薯种薯种植技术,脱毒马铃薯种植技术。一、选地

学习

大马资本大亨郭令灿

阅读(170)

在东南亚,郭氏家族是备受瞩目的一个豪门家族。《福布斯》富豪榜上有好几位都是郭氏成员。而声名显赫的郭氏大家族中,以精明见称的郭令灿是这本族谱中一个不得不提及的人物。

学习

话说东北讲武堂

阅读(172)

本文为您介绍话说东北讲武堂,内容包括东北讲武堂花名册,东北讲武堂档案。一

学习

病毒式传播的三大创新

阅读(212)

本文为您介绍病毒式传播的三大创新,内容包括社交裂变简单点说就是病毒式传播,拼多多病毒式传播。电子屏幕

学习

解读能量守恒定律

阅读(214)

本文为您介绍解读能量守恒定律,内容包括能量守恒定律解释人生,能量守恒定律全文。一、能量的形式

学习

Zipf定律在森林资源规模分布定量分析中的应用

阅读(187)

摘要:Zipf定律主要针对空间地域分布中的离散分布现象,以“等级――规模”关系为研究的切入点,讨论研究对象所隐藏的统计特征,近年来被引入森林资源规模分布的定量分析中。以1999~2003年第6次全国清查有林地面积和活立木蓄积数据为参考依

学习

刍议“世界三大短篇小说之王”的艺术特征

阅读(192)

本文为您介绍刍议“世界三大短篇小说之王”的艺术特征,内容包括世界三大短篇小说之王的性命,世界三大短篇小说之王的风格。お[摘要]契诃夫的小说通过幽默可笑的情节进行艺术概括,塑造出完整的典型形象。欧亨利对小人物充满了理解和同情,

学习

电流表的使用

阅读(172)

本文为您介绍电流表的使用,内容包括电流表的使用,练习使用电流表。常见的电流表有:(1)教学电流表,主要用于教学演示;(2)灵敏电流计,主要用来测量微小电流或探测电流方向;(3)实验室学生电流表,这是我们最常用的一种,它有两个量程0~0.6A和0~3A,有的是共用

学习

三大法则教你看人不走眼

阅读(210)

本文为您介绍三大法则教你看人不走眼,内容包括教你看人不走眼上篇,古人八大法则教你怎样识人不走眼。一到年末岁初,都是员工的跳槽之际。美容院的老板们也都做好了吐故纳新的准备,定期的人员“充电”和“大换血”对美容院的发展有着举足轻

学习

巧用阿特伍德机和DIS系统验证机械能守恒定律

阅读(183)

本文为您介绍巧用阿特伍德机和DIS系统验证机械能守恒定律,内容包括阿特伍德机左右机械能是否守恒,用dis验证机械能守恒定律。摘要:“验证机械能守恒定律”是高中物理教学中的重要实验,但实验要求较高,很难在实际教学中开展。本文介绍了巧用

学习

广东三大汉族民系民居表征的宗族结构

阅读(153)

本文为您介绍广东三大汉族民系民居表征的宗族结构,内容包括古代大家族的宗族结构特征,中国典型的古代汉族民居。【摘要】在岭南文化背景下,广东省的广府、潮汕、客家三大汉族民系在宗族文化兴盛发达的明清时期,发展了各具特色的民居建筑文